Msa Air Pack Diagram

Multiple Time Intensity Analysis Sweetness Bitterness Chocolate Flavor And Melting Rate Of Chocolate With Sucralose Rebaudioside And Neotame Palazzo 14 Journal Of Sensory Studies Wiley Online Library

Measurements Of Oh H2so4 And Msa During Tropospheric Ozone Production About The Spring Equinox Topse Mauldin 18 Journal Of Geophysical Research Atmospheres Wiley Online Library

Msa Firehawk Scba Air Pack With Mask 100 00 Picclick

Scott Nxg7 07 Spec Refurbished Scba
Www Millerwelds Com Media Miller Electric Files Pdf Literature Ordering Form Catalogs 18partscatalog Pdf
Http S7d9 Scene7 Com Is Content Minesafetyappliances 0105 169 Mc Msa g1 scba bulletin

Summertime Primary And Secondary Contributions To Southern Ocean Cloud Condensation Nuclei Scientific Reports

Msa G1 Bally Design

Interannual Variability Of Dimethylsulfide In Air And Seawater And Its Atmospheric Oxidation By Products Methanesulfonate And Sulfate At Dumont D Urville Coastal Antarctica 1999 03 Preunkert 07 Journal Of Geophysical Research Atmospheres

Ten Year Running Average For Holtedahlfonna Black And Lomonosovfonna Download Scientific Diagram

Is Cloud Seeding In Coastal Antarctica Linked To Bromine And Nitrate Variability In Snow Iopscience

Dr Lois Green Carr Men S Career Files Msa Sc 5094 Image No Sc5094 1053 06 Career Image Men

Oxygen Breathing Apparatus Wikipedia

Msa Air Line Respirators

Usb2 Electronic Helmet Google Patents

World Of Mining Engineers Mine Gases
Q Tbn 3aand9gctce7vhmk8bthi Cnc5xuek9xdwzbaxfztxrsaba1foc3gfpjkj Usqp Cau
Solved Air Flows Through A Contraction Section Of Conical Chegg Com

Carrying Appearance Of The Standard And Prototype Scba Download Scientific Diagram

Msa G1 Scba Facepiece Youtube
Http Www Newtonsfire Com Uploads Product Files Firehawk M7 Parts List Pdf

Steki 17 Manual Air Disc Brake For Packaging Machinery Twinflex Msa Brake Caliper Buy Manual Air Disc Brake Pneumatic Disc Brake For Packaging Machinery Twinflex Msa Brake Caliper Product On Alibaba Com

Comparative Study Of Buoy Actuated Energy Harvesting Devices For Submersible Sensors Journal Of Energy Engineering Vol 146 No 5

Atmosphere Free Full Text A Quantitative Method To Measure And Speciate Amines In Ambient Aerosol Samples Html

Msa Safety Glasses Helmets Hard Hats Safety Harness Toolsid Com

World Of Mining Engineers Mine Gases
Www Cdc Gov Niosh Mining Userfiles Works Pdfs Ri9650 Pdf

Msa Scba Air Packs Fire Gear Firefighter Gear Fire Equipment

Self Contained Breathing Apparatus Scba Sales
Nssso 4 2 And Msa Concentration Depth Profiles From Mccarthy Ridge Snow Download Scientific Diagram

Msa G1 Scba Care Use Youtube

Contribution Of Arctic Seabird Colony Ammonia To Atmospheric Particles And Cloud Albedo Radiative Effect Nature Communications

Solar Drying Technology Springerlink

Carbon Capture And Storage Ccs The Way Forward Energy Environmental Science Rsc Publishing Doi 10 1039 C7eea

Remote Sensing Free Full Text Theoretical Modeling And Analysis Of L And P Band Radar Backscatter Sensitivity To Soil Active Layer Dielectric Variations Html
Www Millerwelds Com Media Miller Electric Files Pdf Literature Ordering Form Catalogs 18partscatalog Pdf

Av 3000 Ht Facepiece 3m Scott

Usa1 Stabilized Flexible Pvc Compositions And Articles Made Therefrom Google Patents
Q Tbn 3aand9gctce7vhmk8bthi Cnc5xuek9xdwzbaxfztxrsaba1foc3gfpjkj Usqp Cau
Msa G1 Scba Breathing Apparatus Msa Safety United States
Http S7d9 Scene7 Com Is Content Minesafetyappliances Operating Manual G1 Scba Nfpa Cbrn

Abstracts Cont Clinical Microbiology And Infection

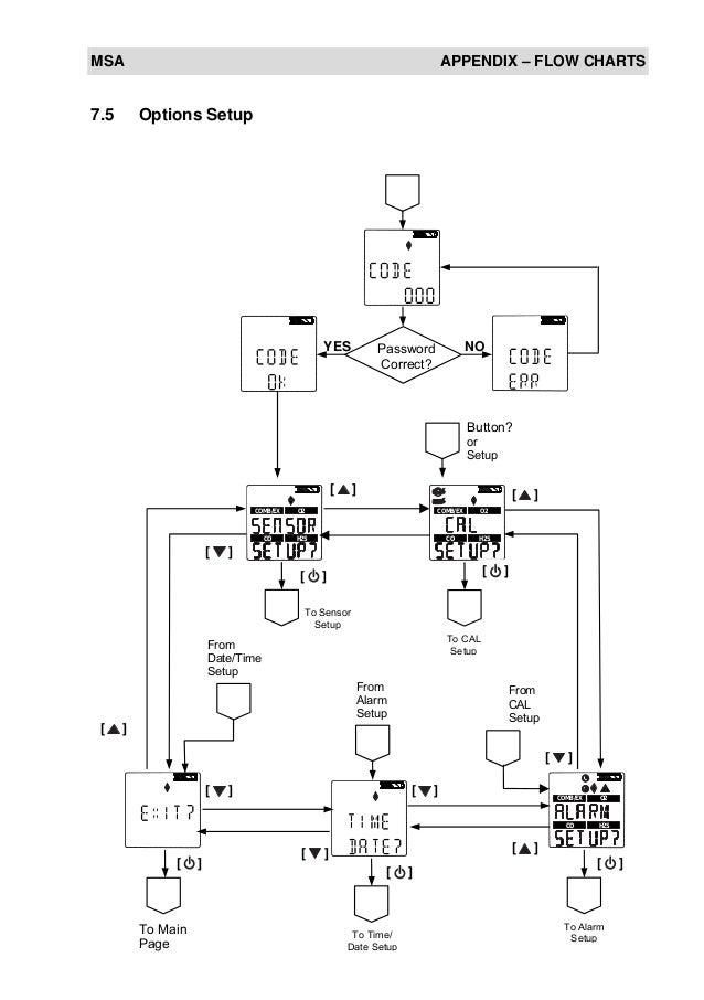
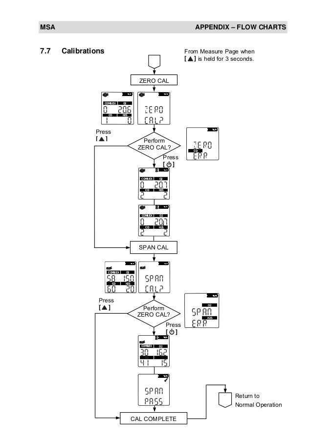
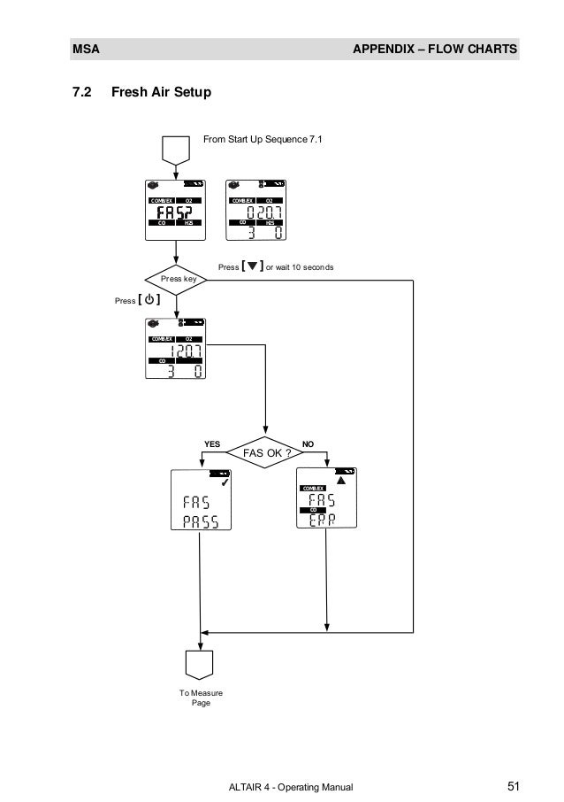
Msa Altair 4 Meter Manual

Fuel Vol 135 Pages 1 536 1 November 14 Sciencedirect Com

Msa Scba Components Recognition Ppt Video Online Download

Msa Altair 4 Meter Manual

Steki 17 Manual Air Disc Brake For Packaging Machinery Twinflex Msa Brake Caliper Buy Manual Air Disc Brake Pneumatic Disc Brake For Packaging Machinery Twinflex Msa Brake Caliper Product On Alibaba Com

Scott Air Pack Youtube

Scba Annual Retraining

Escort Elf Personal Pump User Manual Zefon International

Tuning Immo Egr Dpf Swirl Winols Edc15 16 17 Msa Vag Guides Mhh Auto Page 1

Arctic Aerosols Springerlink

Manlius Fire Department Annual Scba Rit Pak Familiarization Drill Ppt Video Online Download
Http S7d9 Scene7 Com Is Content Minesafetyappliances Care scbatroubleshooting

Msa Altair 4 Meter Manual

It S Possible To Use A Cordless Tool Battery On An Ebike Electricbike Com

Respiratory Self Contained Breather Apparatuses Scba S Rent Finance Or Buy On Kwipped
Honeywell Titan Scba
Scba Parts Accessories Msa Safety United States

Scott Ap75 07 Spec Air Pack Refurbished Scba

Scott Air Pak And Air Pak 75 Models 2 2 3 0 Pdf Free Download

Synthesis And Properties Of Highly Dispersed Ionic Silica Poly Ethylene Oxide Nanohybrids Abstract Europe Pmc

L8 The Silk Road Airway International Ops Opsgroup

Msa Oba A 4

Manuals Air Conditioners Boiler Manuals Furnace Manuals Heat Pump Manuals Free Downloads Installation And Service Manuals For Heating Heat Pump And Air Conditioning Equipment

Mean Msa P Nss So 4 2a Molar Ratios Derived From Simulated Particulate Download Scientific Diagram

3m Scott Air Pak 75i Scba 3m Scott

Article Iv District Regulations Code Of Ordinances Cobb County Ga Municode Library

Article Iv District Regulations Code Of Ordinances Cobb County Ga Municode Library
Http S7d9 Scene7 Com Is Content Minesafetyappliances Operating Manual G1 Scba Nfpa Cbrn

Breathing Apparatus Cabinets Thomas Products Inc

Operating Maintenance Instructions Scott Air Pak X3 Snap Change Models 2 2 4 5 Pdf Free Download
Msa G1 Scba Breathing Apparatus Msa Safety United States

The Economics Of Tobacco Regulation Health Affairs

Msa G1 Bally Design
Firehawk M7 Hud User Manual Mine Safety Appliances

Msa Scba Diagram Diagram Base Website Scba Diagram 7pintrailerwiringdiagram Meteo Pourrieres Fr

Parts List Airhawk Ii Air Mask Pdf Free Download

Review Of Electrical Energy Storage Technologies Materials And Systems Challenges And Prospects For Large Scale Grid Storage Energy Environmental Science Rsc Publishing

Self Contained Breathing Apparatus Wikipedia

Scott Scba Serial Number Location Southfastpower

Ppt Airelite 4h Powerpoint Presentation Free Download Id
Msa G1 Scba Breathing Apparatus Msa Safety United States

An Scba With Integral Heat Stress Relief
Q Tbn 3aand9gctce7vhmk8bthi Cnc5xuek9xdwzbaxfztxrsaba1foc3gfpjkj Usqp Cau

Msa Scba Components Recognition Ppt Video Online Download

Scba 3m Scott

Msa M7 Cbrn Firehawk 02 Spec Refurbished Scba
Respiratory Protection Respirators Grainger Industrial Supply
Firehawk M7 Hud User Manual Mine Safety Appliances

Neuroimaging Of Sleep Disorders Section 5 Neuroimaging Of Sleep And Sleep Disorders

Productsscba Sales Co

Is Cloud Seeding In Coastal Antarctica Linked To Bromine And Nitrate Variability In Snow Iopscience
Www I C E Inc Com Assets Documents Items En Msa Parts List Pdf

Nssso 42 Msa W W Ratio Reported As A Function Of Distance Download Scientific Diagram

Parts Of An Scba Diagram Quizlet

Scott Air 4500 Air Pack Diagram Diagram Base Website Pack Diagram Venndiagramquadrilaterals Mindmatter It
Gainesville Fl Msa Economic Indicators Report March News Break

Ice Core Evidence For Antarctic Sea Ice Decline Since The 1950s Science
Q Tbn 3aand9gcq8ejy4jseh8ietdc58mqe4vyrb2alkohafmog6f0korxhsnkgm Usqp Cau
S7d9 Scene7 Com Is Content Minesafetyappliances Airhawk ii parts list en

Relationships Linking Primary Production Sea Ice Melting And Biogenic Aerosol In The Arctic Sciencedirect

Methanesulphonic Acid Msa Stratigraphy From A Talos Dome Ice Core As A Tool In Depicting Sea Ice Changes And Southern Atmospheric Circulation Over The Previous 140 Years Sciencedirect

Scott Air 4500 Air Pack Diagram Diagram Base Website Pack Diagram Venndiagramquadrilaterals Mindmatter It